Vágner Vlastimil
Přípravkem
je možno ovládat spotřebiče připojené do ovládané zásuvky,ovládání zásuvky je
v čase který řídí počítač,ten je od
silového rozvodu oddělen optotriakem.Přípravek se připojuje na sériový
port počítače je v provozu více jak dva roky a pracuje bez závad,zařízení
může sloužit k vlastní inspiraci.
Popis
Přípravku
Přípravek
je vestavěn do instalační dvojkrabice na omítku tzv.penálu kde je v jedné
polovině dvojzásuvka a v druhé je ovládací elektronika.Přípravek je
s počítačem propojen třížilovým kablíkem zakončeným koncovkou podle typu
sériového portu tj.devítikolík nebo dvacetipětikolík.Dále je vyveden kabel flexo typ
C 3 x 1.5 mm2, musí být
použit kabel typu C jedná se o ovládaný prodlužovák,kabel je zakončený síťovou
zástrčkou kterou připojujeme přípravek do zásuvek rozvodu sítě 240Vstř, Na
krytu elektroniky jsou dvě led diody jedna červená signalizuje přítomnost
ovládacích signálů z PC,druhá je zelená a signalizuje že ovládaná zásuvka
je pod napětím a pojistka F1 včetně elektroniky je v pořádku. Na ovládání
zásuvky jsou z počítače využity signály RTS,DTR,TXD.Signály RTS,DTR jsou
zdvojeny důvodem je že jeden výstup může dodat
maximálně proud přibližně 10mA,Rezistorem R2 je nastaven proud do řídící
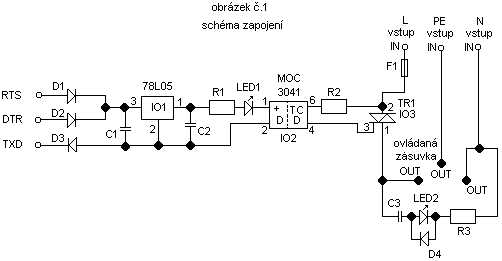
mřížky výkonového triaku TR1 který je opatřen chladičem.Schéma zapojení je na obrázku
č.1.Součástky pro signalizaci zapnuté zásuvky C3,LED 2,D4,R3 jsou
v krabičce vzájemně propojeny přímo.
Popis funkce
Po
aktivaci signálů RTS,DTR je napětí z počítače usměrněno stabilizátorem IO1
78L05 na 5V,takto stabilizované napětí je přes rezistor R1 a červenou led diodu
D1 kterou rozsvítí vedeno na IO2 optotriak MOC3041 který spíná IO3 výkonový
triak TR1 při průchodu síťového napětí nulou,sepnutí triaku TR1 je signalizováno
zelenou led diodou D2.Napětí pro led diodu D2 je získáno pomocí kondenzátoru
C3,rezistor R3 společně s opačně polarizovanou diodou D4 chrání led diodu
D2 proti špičkám.
Popis
programů
Programy
pro oživení a ovládání zásuvky jsou určeny pod operační systém MS-DOS jsou odladěny v TP7 jdou
spouštět i na rychlejších počítačích jak 200Mhz,pod Windows 95,98 je možno
programy spouštět z příkazové řádky nebo při startu počítače stiskem
klávesy F8 zobrazíme volbu a zvolíme jen MS DOS,pod OS Windows2000,XP,NT jdou spustit pouze
z příkazové řádky pokud jsou uvedené OS řádně nainstalovány jako 32-bitová
verze,pod uvedenými OS instalovaným jako 64-bitová verze nejdou spustit.Programy
jsou v adresáři zásuvka a mají názvy ovládání.exe
a test.exe,ovládání programu test.exe po spuštění programu zvolíme
port ke kterému je připojen přípravek volbu provádíme stiskem kláves 1 až
4,stiskem klávesy s číslicí 1 volíme port com 1,stiskem klávesy
s číslicí 2 volíme port com2 atd.,pro zvýraznění jsou uvedené klávesy uzavřeny
do < >.Po volbě portu se zobrazí pro zapnutí stiskni klávesu mezerník po
stisku se zobrazí zařízení zapnuto a nápis pro vypnutí stiskni klávesu mezerník,po jejím stisku se zobrazí
zařízení vypnuto.Takto můžeme ručně zapínat nebo vypínat ovládanou zásuvku,program
ukončíme stiskem klávesy ESC.
Program
ovládání.exe po spuštění programu
zvolíme port ke kterému je připojen přípravek volbu portu volíme stejně jako
v programu tes.exe,po volbě portu se zobrazí aktuální čas v počítači
a program čeká dokud nestiskneme klávesu mezerník po jejím stisku se zobrazí zadej
hodinu zapnutí zadáváme hodnotu 00 až 24 po zadání hodnoty stiskneme klávesu
ENTER,zobrazí se zadej minutu zapnutí zadáváme hodnotu 00 až 59 po zadání
hodnoty stiskneme klávesu ENTER.Pak se zobrazí zadej hodinu vypnutí zadáváme hodnotu 00 až
24 po zadání hodnoty stiskneme klávesu ENTER,jako poslední se zobrazí zadej
minutu vypnutí zde zadáváme hodnotu 00 až 59 po zadání hodnoty stiskneme
klávesu ENTER.Po všech zadáních se na monitoru v pravém rohu zobrazuje čas
společně se zadanými údaji.Pokud dojde ke shodě zadaných údajů s časem zobrazí
se na monitoru zařízení zapnuto a po nastavene době vypnutí zařízení
vypnuto.Program ukončíme stiskem klávesy ESC pokud je zásuvka zapnuta program
provede její vypnutí a ukončí se.
Oživení
přípravku
Po
dokončení přípravku provedeme oživení programem test.exe přípravek propojíme s počítačem zástrčku na 240V zatím
nepřipojujeme do sítě,spustíme program test.exe podle výše popsaného návodu
pokud je vše v pořádku musí se rozsvítit led dioda č.1 červená.Pokud se
nerozsvítila změříme napětí na anodách diod D1,D2 proti katodě diody D3,musíme
naměřit napětí mezi 10 až 14V=, pokud na vstupu nenaměříme napětí 10 až 14V= je
největší pravděpodobnost že výstupy RTS,DTR,TXD jsou na konektoru na jiných
číslech než mají být.Výstup RTS je na 9pinovém konektoru pod číslem 7 na 25 pinovém
je pod číslem 4,výstup DTR je na 9pinovém konektoru pod číslem 4 na 25 pinovém
je pod číslem 20,výstup TXD je na 9pinovém konektoru pod číslem 3 na 25 pinovém
je pod číslem 2.Pokud je napětí v tomto bodě v pořádku změříme napětí
na vstupu stabilizátoru 78L05 a pak na jeho výstupu kde musíme naměřit
5V=.Pokud je napětí v pořádku propojíme katodu led diody D1 přímo
s anodou diody D3 pokud led dioda svítí je vadný optotriak MOC3041..Pokud
je vše v pořádku stiskneme mezerník tak aby led dioda D1 zhasla pak připojíme
zástrčku do zásuvky 240Vstř.,znovu stiskneme klávesu mezerník a nyní se musí
rozsvítit i led dioda D2 která signalizuje že zásuvka ovládaná počítačem je pod
napětím.nyní stiskneme klávesu mezerník až obě led diody zhasnou,do ovládané
zásuvky připojíme například lampičku a znovu stiskneme klávesu mezerník
lampička se musí rozsvítit a po dalším stisku klávesy mezerník zhasnout.Nyní
již můžeme odzkoušet program ovládání.exe zadat hodnoty a pak si jenom počkat
až se automaticky rozsvítí lampička a pak zase zhasne,tím je oživení ukončeno.Pozor při
manipulaci se síťovým napětím musí již být krabička i zásuvka zakryta pracuje
se s napětím které je životu nebezpečné.
Rezistory : R1……120 Ohmů,
R2……4K7 , R3….330 Ohmů všechny rezistory na 1/4 W
Diody
D1,D2,D3…..1N4148,(1N4448,KA 201,261), D4…..1N4007 (KY132/1000)
IO1- Stabilizátor 78L05 ,
IO2- optotriak MOC3041 , IO3- Triak BT139/800 + chladič D01-BLK
Kondenzátory :
C1,C2…..100NF,C3….47NF/275Vstř.,Poj.držák…DP08HP + pojistka 4A , Síťová
zástrčka,kabel flexo 3x 1.5mm2 typ C 2m,zásuvka do krabice nízká,krabice na omítku
dvojitá (penál)
Led diody : D1…..červená 2V/ 0.002A průměr 3mm , : D2…..zelená 2V/ 0.002A průměr 3mm .






Použitá literatura:
Martin Kvoch Programování
v TurboPascalu 7
Miroslav Milda Jak na to
v Pascalu
Katalog El.součástek Zděnek
Krčmář
Bližší informace : vagnervlastimil@seznam.cz
Tel.: + 420 607 405 007